專業制造碳鋼/不銹鋼旋振篩
—免費提供篩分解決方案—

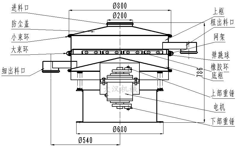
產品介紹:800型旋振篩篩面直徑為800mm,可篩至500目或0.028mm,篩分產量每小時可達800公斤,可根據客戶不同需求1-5層同時使用,304不銹及碳鋼材質等各種型號齊全,可
直徑800mm,電機功率0.55kw,處理量200kg/h
應用范圍:化工行業、食品行業、金屬冶金礦業、廢油廢水公害處理等行業的粉末、顆粒及液體物料。
電話:0373-2849 333
DH800型旋振篩為直徑800mm的單層兩個出料口旋振篩,網架采用子母網分離結構,按材質分為碳鋼材質和304不銹鋼材質。
800型旋振篩篩分效率高、設計精巧耐用,精類、粘液均可篩分。換網容易、操作簡單、清洗方便。網孔不堵塞、粉末不飛揚、可篩至500目或0.028mm。

800型旋振篩是一種常見的振動篩分設備,主要用于顆粒物料的篩分和分級。該設備通常包括振動器、篩箱、篩網、底座、振動彈簧、驅動裝置等部件。800型旋振篩結構簡單、操作方便,適用于多種顆粒物料的篩分工作。通過振動力使物料在篩網上進行篩分,廣泛應用于食品加工、化工、建材等行業。800型旋振篩具有高效的篩分能力,可提高生產效率和產品質量。

為了配合個別行業的原料篩分特性及要求,可特殊設計,例如:加緣式、閘門式、直泄式、附噴水設計、移動式等。


| 型號 | 直徑 (mm) |
入料尺寸 (mm) |
頻率 (RPM) |
層數 | 轉速 (r/min) |
電機 (v) |
功率 (kw) |
處理量 (kg/h) |
| DH-800 | 800 | <10 | <1500 | 1-5 | 1440 | 380 | 0.55 | 800 |
旋振篩是一種高精度細粉篩分機械,工作原理是由直立式電機作激振源,電機上、下兩端安裝有偏心重錘,將電機的旋轉運動轉變為水平、垂直、傾斜的三次元運動,再把這個運動傳遞給篩面。調節上、下兩端的相位角,可以改變物料在篩面上的運動軌跡,由于其振動運轉原理很多企業也稱之為“三次元振動篩分過濾機”,根據外形結構被部分客戶稱呼為圓形振動篩,從材質上分標準型旋振篩和普通型旋振篩的,標準型的與物料接觸部分為304不銹鋼材質,底座為碳鋼材質,普通型的通體為普碳鋼材質。


800型旋振篩在許多行業中被廣泛應用,包括食品加工、化工、醫藥、建材、冶金、礦山、環保等領域。在食品加工行業,它常用于糧食加工、食品篩分等工藝中;在化工行業,可用于化工原料的篩分和分級;在醫藥行業,常用于藥粉的篩分;在建材行業,可用于水泥、石灰等原料的篩分;在冶金和礦山行業,可用于礦石的篩分和分級;在環保領域,可用于廢水處理等。

化工行業:樹脂、涂料、工業藥品、化妝品、油漆、中藥粉等。
食品行業:糖粉、淀粉、食鹽、米粉、奶粉、豆漿、蛋粉、醬油、果汁等。
金屬、冶金礦業:鋁粉、鉛粉、銅粉、礦石、合金粉、焊條粉末、二氧化錳、電解銅粉、電磁性材料、研磨粉、耐火材料、高嶺土、石灰、氧化鋁、重質碳酸鈣、石英砂等。
公害處理:廢油、廢水、染整廢水、助劑、活性碳等。

⑴設備應有穩定的基礎。當設備安裝于一般地面或水泥基礎上時,可以不設置地腳螺栓。當設備安裝于鋼結構架臺之上時,應用螺栓緊固于結構體上,而且鋼結構架臺應有一定的鋼度。本機只需三相開關一只(備注:好使用電氣控制盤),用蛇皮管穿線,將電機接至電源即可,注意電氣控制盤應懸掛安裝于墻上。
⑵設備出廠前已將篩網裝妥,使用過程中的篩網更換可自己更換。
⑶開機前,應先檢查各壓緊螺栓的緊固程度,及各料口的位置是否與接料器對正,并觀察振動電機是否能正常轉動及彈簧受力有無阻礙,檢查各層篩網是否壓緊。
⑷當旋振篩接入電氣控制盤之前,應首先對電氣控制盤進行檢查。線路接通后觀察振動電機旋轉方向是否是順時針方向, (備注:否則應改變相序)運轉是否正常,有無異噪聲。
⑸調節振動電機上下偏心塊的相位角,以適應各種物料篩分情況。
Copyright 2008-2024 旋振篩廠家-新鄉市大漢振動機械有限公司 All Rights Reserved 版權所有
網站備案號:豫ICP備09002479號-33