專業制造碳鋼/不銹鋼旋振篩
—免費提供篩分解決方案—

發布時間:2021-04-27 16:23:40 作 者:admin 點擊: 次
旋振篩是由直立式振動電機作為激振源,電機上、下兩端安裝有偏心重錘,將電機的旋轉運動轉變為水平、垂直、傾斜的三次元運動,再把這個運動傳遞給篩面進行篩分。調節上、下兩端的相位角,可以改變物料在篩面上的運動軌跡。
常用的旋振篩設備都有那些
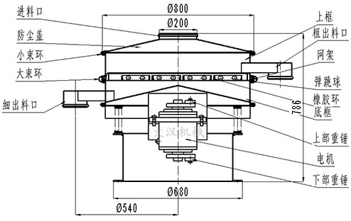
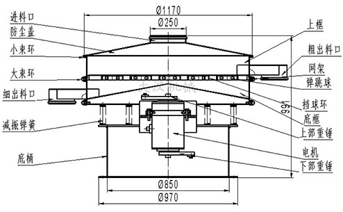
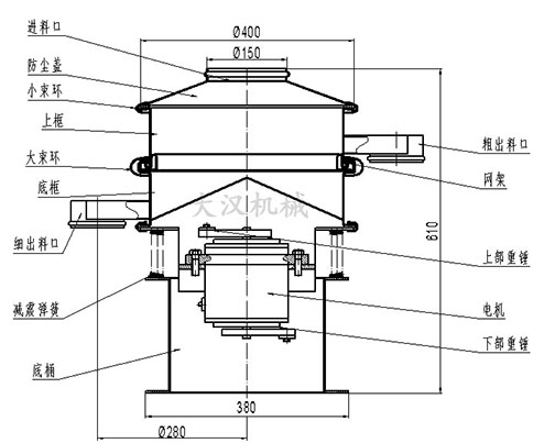
從上到下外部結構圖依次分為:進料口-防塵蓋-小束環-上框-細網-粗網-篩架-中框-膠球-沖孔板-底框-出料口-大束環-彈簧-機座。
內部振動體的結構圖:加重片-上部重錘-振動本體-振動馬達-下部重錘
| 型 號 | 直徑mm | 篩網面積m | 篩網規格(目) | 進料粒度mm | 振次rpm | 有效篩面直mm | 層數 | 功率Kw | 處理量kg/h |
| DH-400 | Φ400 | 0.24 | 2-500 | <Φ10 | 1500 | Φ350 | 1-5 | 0.18 | 100 |
| 型 號 | 直徑mm | 篩網面積m | 篩網規格(目) | 進料粒度mm | 振次rpm | 有效篩面直mm | 層數 | 功率Kw |
| DH-600 | Φ600 | 0.24 | 2-500 | <Φ10 | 1500 | Φ560 | 1-5 | 0.25 |
| 型 號 | 直徑mm | 篩網面積m | 篩網規格(目) | 進料粒度mm | 振次rpm | 有效篩面直mm | 層數 | 功率Kw |
| DH-800 | Φ800 | 0.45 | 2-500 | <Φ15 | 1500 | Φ760 | 1-5 | 0.55 |
| 型 號 | 直徑mm | 篩網面積m | 篩網規格(目) | 進料粒度mm | 振次rpm | 有效篩面直mm | 層數 | 功率Kw |
| DH-1000 | Φ1000 | 0.67 | 2-500 | <Φ15 | 1500 | Φ930 | 1-5 | 0.75 |
| 型 號 | 直徑mm | 篩網面積m | 篩網規格(目) | 進料粒度mm | 振次rpm | 有效篩面直mm | 層數 | 功率Kw |
| DH-1200 | Φ1200 | 1.0 | 2-500 | <Φ15 | 1500 | Φ1130 | 1-5 | 1.1 |
| 型 號 | 直徑mm | 篩網面積m | 篩網規格(目) | 進料粒度mm | 振次rpm | 有效篩面直mm | 層數 | 功率Kw |
| DH-1500 | Φ1500 | 1.6 | 2-500 | <Φ15 | 1500 | Φ1430 | 1-5 | 1.5 |
旋振篩無論物料是干/濕,是精細是粗糙,是比重大是比重輕,0-400目都可以篩選,不管是液態的,還是漿狀的0-600目都可以過濾。

一、分級,多適用于干物料的篩分
二、去雜質,可對高流量物料中的小部分大顆粒進行快速分離
三、去液體,單層,多層使用。十分有效的處理固體,液體的混合物料,快速實現固液分離。
Copyright 2008-2019旋振篩廠家-新鄉市大漢振動機械有限公司 All Rights Reserved 版權所有
網站備案號:豫ICP備09002479號-33